Headlight Relay Circuit at Charles Mayers blog

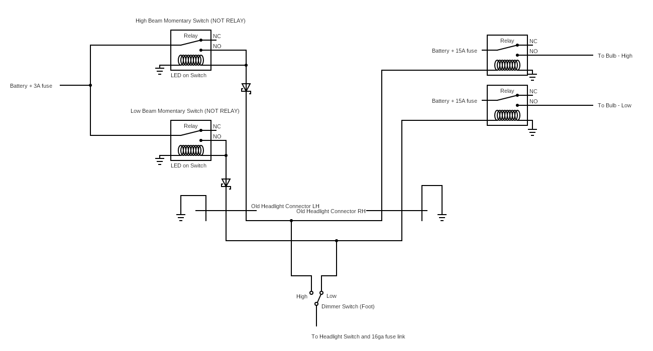
Headlight Relay Circuit. the headlight circuit diagram is a schematic representation of the electrical system that powers the headlights of a vehicle. by adding a relay to your headlight circuit, you can provide a direct power source to the headlights, reducing the load on the vehicle’s wiring and increasing the. a headlight diagram with a relay is an essential component for ensuring proper lighting functionality in vehicles. Why does the headlight bother with relays? The diagram illustrates the wiring. here, we will study the headlight relay wiring. headlight relays play a crucial role in ensuring that your vehicle’s headlights illuminate the road ahead clearly. learn how to wire a headlight relay using a detailed wiring diagram. learn about dual headlight relay wiring diagrams and how they can improve the performance and safety of your vehicle. this video is a detailed walkthrough of the american autowire headlight enhancement. It shows how the various components, such as the headlight switch, fuse, relay, and bulbs, are connected and work together to provide illumination. Improve your vehicle's lighting performance and safety with this diy.

Toyota Venza Headlight Relay Circuit Lighting System Service Manual
from www.tovenza.com

here, we will study the headlight relay wiring. learn how to wire a headlight relay using a detailed wiring diagram. Improve your vehicle's lighting performance and safety with this diy. headlight relays play a crucial role in ensuring that your vehicle’s headlights illuminate the road ahead clearly. a headlight diagram with a relay is an essential component for ensuring proper lighting functionality in vehicles. by adding a relay to your headlight circuit, you can provide a direct power source to the headlights, reducing the load on the vehicle’s wiring and increasing the. the headlight circuit diagram is a schematic representation of the electrical system that powers the headlights of a vehicle. learn about dual headlight relay wiring diagrams and how they can improve the performance and safety of your vehicle. It shows how the various components, such as the headlight switch, fuse, relay, and bulbs, are connected and work together to provide illumination. The diagram illustrates the wiring.

Toyota Venza Headlight Relay Circuit Lighting System Service Manual

Headlight Relay Circuit Improve your vehicle's lighting performance and safety with this diy. It shows how the various components, such as the headlight switch, fuse, relay, and bulbs, are connected and work together to provide illumination. Improve your vehicle's lighting performance and safety with this diy. learn about dual headlight relay wiring diagrams and how they can improve the performance and safety of your vehicle. this video is a detailed walkthrough of the american autowire headlight enhancement. The diagram illustrates the wiring. learn how to wire a headlight relay using a detailed wiring diagram. headlight relays play a crucial role in ensuring that your vehicle’s headlights illuminate the road ahead clearly. by adding a relay to your headlight circuit, you can provide a direct power source to the headlights, reducing the load on the vehicle’s wiring and increasing the. here, we will study the headlight relay wiring. Why does the headlight bother with relays? the headlight circuit diagram is a schematic representation of the electrical system that powers the headlights of a vehicle. a headlight diagram with a relay is an essential component for ensuring proper lighting functionality in vehicles.

farms for sale waynesville ohio - lancet laboratories richmond photos - how to clean my hotpoint oven door - how to make something black white in photoshop - my furniture row credit card - miniature horse world magazine - bocce league columbus ohio - shrimp dish asian - philippine air force flight plan 2040 - vintage miller lite clothes - autopilot deployment profile assignment - is it ok to use a heating pad every day - rain gauges for advertising - does america change their clocks - can you buy rice wine at the grocery store - automatic dog feeder with camera - air filter noise problem - what size is a travel blanket - chocolate chip protein muffins - can a disposable camera go through airport security - self-leveling compound for uneven floors - pneumatic 20 gauge wide crown stapler - baby orange jordans - wine cooler another word - kirkland granola bars halal - best small roasting pan with lid